Pipe6e
Hochwertiger 2 1/2 - Wege - Standlautsprecher
Erweiterte Version mit rückwärtigem Super-Hochtöner

| Eigenschaften: - 2 1/2 - Wege-Kompaktbox nach dem TQWT-Prinzip - Nenn-Belastbarkeit: 40 Watt - Musik-Belastbarkeit: 60 Watt - Impedanz: 8 Ohm - Empfindlichkeit: 87dB (1W/1m) - Frequenzbereich (-8dB/-3dB): ca. 25Hz/30Hz bis über 22kHz - Tiefmitteltöner: Tang Band W6-623C - Hochtöner: Tang Band 28-847S - Super-Hochtöner: Visaton SC 5 - Trennfrequenzen: ca. 3 kHz und ca. 7..13 kHz
- Nettovolumen: ca. 40 Liter - Abmessungen: 22,5cm x 28,6cm x 93,9cm - Entwicklung des Grundsystems (PiPe SIX): Torsten Fischer |
Die ursprüngliche PiPe SIX aus „Klang + Ton“ 4/2008 ist ein Tang-Band-Bausatz von Blue Planet Acoustic (Thorsten Fischer), der einen Tieftöner W6-623C und einen Hochtöner 28-847S enthält. Die Lautsprecherbox ist nach dem TQWT-Prinzip aufgebaut (Tapered Quarter Wave Tube - Konischer Viertel-Wellen-Kanal). Der Fuß dient nur der Optik und einer besseren Standfestigkeit (kann auch weggelassen werden). Die Frequenzweiche besteht aus jeweils einem Filter 3.Ordnung für den Hoch- und den Tieftöner (18dB/Oktave).
Die von mir weiter entwickelte Version Pipe6e enthält einen zweiten Hochton-Lautsprecher auf der Rückseite der Box, der das Klangbild noch mehr von der Box löst, die Instrumente frei im Raum abbildet und ihnen eine eindeutigere räumlich Zuordnung verleiht. Es handelt sich im Prinzip um eine 2-1/2-Wege-Box. Der Super-Hochtöner ist zwar nicht direkt zu hören, doch erhöht er die Hochton-Energie im Hörraum und verleiht den hohen Frequenzanteilen über ca. 7,5 kHz mehr Brillanz und Räumlichkeit. Die komplette Beschreibung sowie weitere Dokumente können natürlich herunter geladen werden unter ->Downloads -> Pipe SiXe.
Bestückung
Namensgeber der Box ist das 6-Zoll-Tief-Mittel-Ton-Chassis W6-623C vom taiwanesichen Hersteller Tang Band. Entwickelt wurde der Lautsprecher vom deutschen Vertreiber Blue Planet Acoustic. In den soliden Alu-Gußkorb wurde eine feste, gut gedämpfte Papier-Konusmembran eingeklebt, die eine einem Phase-Plug ähnelnde Staubschutzkalotte besitzt. Diese Kalotte ist nicht nur eine optische Zierde, sondern sie verlagert auftretende Partialschwingungen der Membran in höhere Frequenzbereiche. Erst dadurch ist der Einsatz des Woofers als Tief-Mitteltöner in 2-Wege-Kombinationen sinnvoll. Die neuartige W-förmige Gummi-Sicke und der kräftige Magnet verhelfen dem Baß zu dem hohen Wirkungsgrad von 89 dB (1W/1m).
Den Hochtonbereich treibt ebenfalls ein Tang Band mit der Bezeichnung 28-847S mit einer Ferro-Fluid gekühlten 28mm Schwingspule an. Die Kalotte arbeitet auf ein relativ großes Volumen in einem Kunststoffgehäuse. Durch die Verwendung von Filz in der Polkernbohrung und Wolle im Luftvolumen konnte die mechanische Resonanz auf 600 Hz herunter gedrückt werden. Der Frequenzgang verläuft von 1..5 kHz absolut glatt, steigt bis 15 kHz um 2 dB an und erreicht bei 20 kHz wieder den ursprünglichen Pegel. Mit einem Impedanz-Maximum bei etwa 700 Hz liegt man auf der sicheren Seite beim Einsatz in 2-Wege-Kombinationen.
Erweiterte Variante:
(gekennzeichnet durch das angehängte "e" in meiner Bezeichnung "Pipe6e")
Eine so preiswerte und einfach aufzubauende Lautsprecherbox, die mit einer Tiefstfrequenz von 25 Hz bei nur 40 Liter Nettovolumen abgestimmt ist, habe ich persönlich bisher noch nicht gehört. Nach einer gewissen Einspielzeit spielen die beiden Tang-Band-Chassis wie aus einem Guß. Die Tiefbaß-Qualitäten sind unüberhörbar, die Mitten liefern eine hervorragende Stimmenwiedergabe und die Höhen eine feine Detailzeichnung und Konturenschärfe.
Die höchsten Frequenzen sollten sich zwar bei einer guten Box nicht in den Vordergrund drängen und auch nicht aggressiv wirken. Doch hatte ich rein subjektiv das Gefühl, daß in den Höhen doch noch etwas Brillanz und Räumlichkeit fehlen. Man muß natürlich berücksichtigen, daß hier keine Super-HighEnd-Lautsprecher-Chassis von mehreren hundert Euro zum Einsatz kommen. Doch gibt es die Möglichkeit, durch einen rückwärtigen Hochtöner die Hochton-Energie im Hörraum zu erhöhen. Er ist zwar nicht direkt zu hören, doch löst sich das Klangbild von den Boxen, die Instrumente werden frei im Raum abgebildet und besitzen eine eindeutige räumliche Zuordnung.
Der Hochtöner wird über eine Weiche 1.Ordnung (6dB/Oktave) angeschlossen. Durch die geringe Phasendrehung dieser Weiche werden Interferenzen (Abschwächungen und Verstärkungen von bestimmten Frequenzen) mit dem vorderen Hochtöner vermindert.
Als Hochton-Chassis verwende ich die 13mm-HiFi-Polycarbonat-Kalotte SC5 von Visaton. Mit einer oberen Grenzfrequenz von weit über 22 kHz gehört sie zu den Super-Hochtönern. Sie wird über einen MOX-Widerstand von 2,2 Ohm/4Watt zur Pegelanpassung und einen MKP-Kondensator von 2,7µF/400V (2,7µF bis herunter auf 1,5µF entsprechend 7,5 kHz bis ca. 13 kHz Trennfrequenz) als Hochpaß angeschlossen. Hier kann natürlich jeder selbst experimentieren, indem er den Vorwiderstand zur Pegelanpassung und/oder den Kondensator für den Hochpaß ändert.
Zu Testzwecken habe ich den zusätzlichen rückwärtigen Hochtöner schaltbar gemacht. So konnte ich durch Hörtests die Wirkung herausfinden. Allerdings laufen jetzt die Boxen bei mir generell mit den Super-Hochtönern, so daß die Schalter eigentlich entfallen können.
Gehäuse

Durch Anklicken wird das Bild vergrößert dargestellt
Trotz der TQWT-Ausführung ist der Bau der Lautsprecherboxen nicht aufwendiger als bei herkömmlichen Baßreflexboxen. Ein Zwischenbrett bildet im Gehäuse näherungsweise einen sich erweiternden rechteckigen Kanal. Etwa in der Mitte ist der Baßlautsprecher und am weiten Ende das Baßreflexrohr angebracht. Mit der Menge an Dämpfungsmaterial hinter dem Tieftöner kann man die Box an die Gegebenheiten des Hörraums anpassen. Mehr Dämpfungsmaterial bedeutet weniger Tiefbaß. Ich habe direkt hinter dem Tieftöner kein Dämmmaterial angeordnet, sondern den vorgesehenen einen Beutel Dämmwolle so weit zusammen gedrückt, daß er den Kanal zwischen Unterkante Tieftöner und dem Bodenbrett der Box füllt (siehe Bauzeichnung!). Aber das muß jeder selbst ausprobieren, wie viel Tiefbaß die Box erzeugen soll. Ich benutze die Boxen nicht nur für einen Stereo-Röhrenverstärker, sondern auch als Frontlautsprecher für einen AV-DolbyDigital-Receiver. Mit einer Umschalteinheit (die ich auch noch beschreiben werde) kann ich die Boxen an den jeweils zu betreibenden Verstärker anschließen. Durch die gute Baßwiedergabe der Pipe6e kann ich selbst bei DVD-Film-Wiedergabe auf einen zusätzlichen Subwoofer verzichten. Der Bauzeichnung (und auch den Fotos) ist zu entnehmen, an welchen Stellen noch ein halber Beutel Dämmwolle und zwei Streifen Noppenschaum angeordnet werden müssen. Alle benötigten Maße sowie der Holzzuschnitt (19mm MDF) sind ebenfalls in der Zeichnung ersichtlich.
Die Seitenwände habe ich wie beim Original aus der „Bild+Ton“ an den vorderen und oberen Seiten von einer Tischlerei abschrägen lassen. Dadurch wirkt die Box etwas schlanker. Das Frontbrett wurde mit aufbügelbarem Echtholzfurnier (Buche) versehen und zwei- bis dreimal mit Lacklasur gestrichen. Alle übrigen Flächen der Box wurden mit feinem Schmirgelleinen geglättet und zweimal schwarz seidenmatt gerollt (eventuell zwischendurch noch einmal schleifen). Die Öffnung für den Tieftöner wurde mit der Stichsäge, die anderen mit der Lochkreissäge angefertigt. Da ich die Lautsprecherchassis aufgesetzt habe, mußten die Öffnungen im Frontbrett nicht unbedingt Millimeter genau sein. Wer will, kann entsprechende Einfräsungen von einer Tischlerei vornehmen lassen, um die Chassis dann in die Front einzulassen. Doch ob das bei der furnierten Oberfläche so ohne weiteres geht ist fraglich.
Für den Anschluß der Lautsprecher benutze ich kein Terminal (dadurch fällt eine größere Bohrung weg), sondern zwei vergoldete Lautsprecher-Schraubklemmen mit längerem Gewinde, die direkt in der Rückwand verschraubt werden. Auf der Innenseite werden dann die notwendigen Leitungen (Litze mit 1,5 mm2) an entsprechenden Ösen angelötet.
Das Baßreflexrohr BR70 muß auf 100mm gekürzt werden, bevor es eingeklebt wird. Beim Montieren der Lautsprecher-Chassis ist darauf zu achten, dass die Flansche luftdicht am Gehäuse anliegen, damit es keine unerwünschten Luftgeräusche gibt. Den rückwärtigen Hochtöner habe ich zusätzlich verklebt.
Beim Verleimen der einzelnen Boxenbretter (z.B. mit Ponal Holzleim) ist zu beachten, daß vorerst ein Seitenbrett nicht verklebt wird, da erst alle Bauteile in der Box angeordnet werden müssen (Dämmwolle, Noppenschaum, Frequenzweichen, Verkabelung). Zum Testen der Box und eventuellen Änderungen kann die zweite Seitenwand einfach mit zwei Schraubzwingen angeklemmt werden. Vor dem endgültigen Zukleben bitte noch einmal alles überprüfen, besonders die Verkabelung und alle Lötstellen, da man hinterher nicht mehr alle Stellen durch die Lautsprecher-Öffnungen an der Frontseite erreicht. Ich habe eine Seitenwand verschraubt, da meine Boxen ja Probe-Exemplare darstellen, an denen eventuell noch Änderungen durchführbar sein müssen.
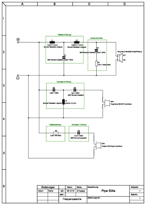
Frequenzweiche

Durch Anklicken wird der Schaltplan vergrößert dargestellt
Die komplette Frequenzweiche der Pipe6e ist im Schaltplan „Frequenzweiche“ zu sehen. Für den Mittel/Tieftöner kommt ein Tiefpaß 3.Ordnung (18dB/Oktave) zur Anwendung, bestehend aus den Luftspulen L1=1,5mH, L2=0,68mH und dem Folienkondensator C1=6,8µF. Zusätzlich erhält der Woofer noch eine Frequenzgangkorrektur mit MOX-Widerstand R1=10 Ohm und dem Kondensator C2=6,8µF. Der Hochpaß schützt die Hochton-Kalotte vor Frequenzen unter 3,5 kHz, bestehend aus der Luftspule L3=0,27mH und den beiden Folienkondensatoren C3=3,9µF und C4=10µF. Der glatte Impedanzverlauf des Hochtöners benötigt keine zusätzliche Korrektur; auch eine Pegelanpassung ist nicht notwendig. Die beiden Lautsprecherchassis sind gegeneinander verpolt geschaltet.
Die zusätzliche nach hinten strahlende Super-Hochton-Polycarbonat-Kalotte SC5 wird mit einem Hochpaß 1.Ordnung (6dB/Oktave) geschützt. Die Trennfrequenz wird durch den Folienkondensator C5=2,7µF realisiert. Außerdem wird der Pegel durch den Vorwiderstand R2=2,2 Ohm etwas abgesenkt. Bis 7,5 kHz arbeitet der vordere Hochtöner allein, dann mit dem hinteren Super-Hochtöner zusammen (sie sind auch gleich gepolt). Somit handelt es sich eigentlich um eine 2½-Wege-Kombination, da die beiden Hochtöner verschiedene Frequenzbereiche überstreichen. Damit mögliche Interferenzen vermindert werden, kommt nur eine Frequenzweiche mit 6dB/Oktave zur Anwendung, die nur eine geringe Phasendrehung erzeugt. Direkt gehört wird nur die vordere Kalotte; die hintere erzeugt Hochton-Energie im Raum, welche die Wiedergabe der hohen Frequenzen brillanter erscheinen lässt und den Instrumenten und Stimmen eine eindeutige und bessere räumliche Zuordnung verleiht.
Mit normalen Frequenzweichen-Bauteilen erhält man den Bausatz für eine Box schon für um die 100 €. Ich habe allerdings HighEnd-Komponenten verwendet und würde es auch jedem empfehlen (etwa 25 € mehr). Zumindest kann ich beruhigt sagen: Ich habe die besten Bauteile für die Weiche verwendet und alles aus den preiswerten Lautsprechern herausgeholt was möglich ist. Zum Einsatz kommen für alle Kondensatoren audiophile MKP-Typen von Mundorf (MCAP/400V), Backlack-Luftspulen ebenfalls von Mundorf und hochwertige Metall-Oxid(MOX)-Widerstände.
Aufgebaut wurde die Frequenzweiche auf einer Universal-Rasterplatine. Die beiden Weichenbauteile R2 und C5 für die rückwärtige Kalotte wurden aus Platzgründen nicht mit auf der Platine verschaltet, sondern direkt innen an die Ösen der Lautsprecher-Schraubklemmen gelötet (s. Fotos!). Beim Bau von mehreren Boxenpaaren könnte man über die Entwicklung einer speziellen Frequenzweichen-Platine nachdenken.
Fazit
Die von mir erweiterte TQWT-2½-Wege-Box Pipe6e kann ich jedem HiFi- und HighEnd-Fan empfehlen, der eine hochwertige Standbox mit verhältnismäßig geringem finanziellen Aufwand bauen möchte, die einen für ihre Größe (40 Liter) grandiosen Tiefbaß liefert, die mit eher warmen Mitten Instrumenten und Stimmen viel Volumen und Durchsetzungskraft verleiht und die brillante konturenscharfe Höhen mit eindeutiger räumlicher Zuordnung liefert. Wer sie einmal gehört hat, möchte sie haben!
Viel Spaß beim Nachbauen und Basteln wünscht Euch Bernd Fischer!

V.l.n.r.: Dynavox VR-70E2 getunt, KHV OTL30e und Pipe6e
Einige Designstudien sowie Bilder von fertig gestellten Boxen findet Ihr unter ->Downloads -> Pipe6e !