Röhrenkiste 2 - OTL30e

Angeregt durch einen Schaltungsvorschlag auf der Website www.eilert-web.de entstand ein
OTL-Kopfhörerverstärker mit folgenden Eigenschaften:
- einfacher Aufbau der Grundschaltung und daher auch große Nachbausicherheit
- für die Röhrenverschaltung ist keine Leiterplatte erforderlich (freie Verdrahtung)
- alle Bauteile sind im Internet erhältlich (meist auch preiswert)
- kein teurer Ausgangsübertrager notwendig (OTL-Verstärker)
- geringe Betriebsspannung der Verstärkerröhren, dadurch ungefährlicherer Aufbau
- unkritische Verwendung von Röhren verschiedener Hersteller und äquivalenter Typen
- Loudness-Schaltung (gehörrichtige Lautstärkeregelung)
- optische Aussteuerungsanzeige mit der Fächer-Anzeigeröhre EM80 (Magisches Auge)
- niederohmige Auskopplung des Audiosignals an der Katode der Endröhre
- Betriebsspannungserzeugung mit ganz gebräuchlichen Schaltungen oder Fertigmodulen
- Verwendung von Kopfhörern mit Impedanzen von 30 bis 600 Ohm
Schaltungsbeschreibung

Durch Anklicken wird der Schaltplan vergrößert dargestellt
Die ausführliche Schaltungsbeschreibung würde den Rahmen dieser Seiten sprengen. Ihr könnt die komplette Beschreibung, die Bauanleitung und alle Schaltpläne unter ->Downloads herunter laden.
Die Schaltungsbeschreibung beinhaltet die folgenden Module (zu jedem Modul gehört der entsprechende Schaltplan):
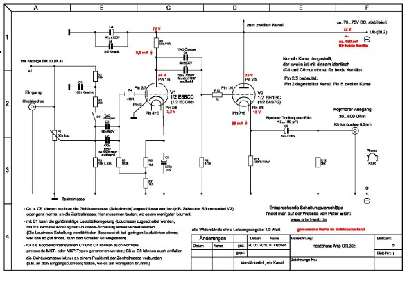
1) Verstärkerteil (Schaltplan Blatt 1):
Das ist der eigentliche Stereo-Röhren-Kopfhörerverstärker mit den Doppeltrioden ECC88 bzw. E88CC und 6AS7G bzw. 6H13C, betrieben mit einer stabilisierten Betriebsspannung von =70...75V DC und einer stabilisierten Heizspannung von =6,3V DC (für die Vorverstärkerröhre). Hier wurde eine Schaltung entwickelt, die mit möglichst niedriger Betriebsspannung auskommt und trotzdem eine ausreichende Leistung am Kopfhörer erzeugt. Eine Besonderheit der Schaltung ist die gehörrichtige Lautstärkeregelung, bei der die tiefen Frequenzen bei geringen Lautstärken abgesenkt werden (entsprechend den Höreigenschaften des menschlichen Ohres). Im von mir aufgebauten Muster wurden an den wichtigsten Stellen hochwertige Bauteile eingesetzt, was in einer ausgezeichneten Übertragungsqualität zum Ausdruck kommt.
2) Hochspannungsnetzteil (Schaltplan Blatt 2):
In diesem Netzteil wird aus einem kleinen Ringkerntrafo (60V, 500...800mA) die stabilisierte Betriebsspannung für den Verstärkerteil (70...75VDC) erzeugt. Dafür wird ein MOSFET-Leistungstransistor (z.B. IRF730, 740) mit entsprechendem Kühlkörper eingesetzt.
Hinweis: Trotz dieser sehr gut geregelten und stabilisierten Betriebsspannung war beim Test des Verstärkers ein ganz geringer Rauschanteil im Kopfhörer wahrzunehmen. Mit einem Widerstand (R4 Blatt Nr.2) nach dem Längstransistor (T1 Blatt Nr.2) konnte das Halbleiter-Rauschen wirkungsvoll unterdrückt werden. Hier muß jeder selbst testen, mit welchem Widerstandswert das beste Ergebnis erzielt wird (1...10 Ohm).
3) Modul Gleichspannungsheizung (Schaltplan Blatt 3):
Diese Baugruppe erzeugt die Gleichspannung für die Heizung der Vorverstärkerröhre ECC88. Im Schaltplan sieht man zwei Varianten, einmal eine normale Brückengleichrichtung mit Elko-Siebung (5.000...10.000uF) und zum anderen eine Stabilisierungsschaltung mit dem Spannungsregler LM317T, mit der genau 6,3V DC eingestellt werden können. Näheres findet man in der Schaltungsbeschreibung.
4) Modul Anzeigeschaltung (Schaltplan Blatt 4):
Dieses Modul wird nur benötigt, wenn eine Anzeigeröhre EM80 vorgesehen ist. Wie aus den Bildern zu erkennen ist, habe ich eine solche Anzeige im OTL30e realisiert. Es ist zwar nur eine optische Spielerei, aber ich möchte sie nicht missen. Schließlich ist ein Röhrenverstärker nicht nur etwas für's HiFi-Ohr, sondern auch etwas für's "High End"-verwöhnte Auge. Hier könnte man sagen: Man "hört" auch mit dem Auge. Die Betriebsspannung von etwa 370...380V DC wird in dieser Baugruppe aus einem kleinen Trenntrafo 230V/230V (35Watt) mit anschließender Brückengleichrichtung und Elko-Siebung gewonnen. Die Ansteuerung der EM80 erfolgt nicht mit einer zusätzlichen Röhre, sondern mit einem MOSFET BF 245, dessen Betriebsspannung mit Hilfe einer Zenerdiode (27V) erzeugt wird.
An den Beispielen der aufgebauten Netzteile kann man erkennen, daß in "modernen" Röhrenverstärkern durchaus "alte" Röhrentechnik mit aktueller Halbleitertechnik optimal kombiniert werden kann.
5) Modul LED-Stronquelle (Schaltplan Blatt 5):
Diese kleine Schaltung erzeugt einen konstanten Strom von ca. 20mA bei Eingangsspannungen von 5 bis 24V. Es lassen sich somit je nach Eingangsspannung entsprechend viele LED’s in Reihe geschaltet anschließen, durch die alle der gleiche Strom fließt und die dann bei gleichen elektrischen Werten alle gleich hell leuchten. Im OTL30e werden damit drei Leuchtdioden betrieben, eine als Power-Anzeige an der Frontseite des Verstärkers und zwei auf der Oberseite zur Effektbeleuchtung der Röhren.
Aufbau
Hier nur einige Bilder vom fertig gestellten Kopfhörerverstärker. Die komplette Bauanleitung kann man unter ->Downloads herunter laden und ausdrucken.
Chassis und Gehäuse:
Wie auf den Bildern zu erkennen ist, besteht das Chassis aus einem 2mm starken Messingblech, das vorne und hinten rechtwinklig abgekantet ist. Die Seitenwände bestehen aus lackierten Hartholzleisten, die mit dem Chassis verschraubt wurden. In der Draufsicht sind zu erkennen: hinten der Ringkerntrafo und ein Netzteil-Elko, in der Mitte die schöne Endtriode 6AS7 und vorne die Vorverstärkerröhre ECC88 und rechts die Anzeigeröhre EM80.
An der Frontseite befinden sich die Power-LED, der Volume-Regler, der Loudness-Schalter und die robuste Kopfhörer-Klinkenbuchse; an der Rückseite die Eingangsbuchsen und die Netzkombination (Buchse, Schalter, Sicherung).

Draufsicht

Rückansicht

Frontansicht
Verschaltung:
Die Verschaltung der Röhrensockel erfolgte in freier Verdrahtung, wie es sich für einen Selbstbau-Röhrenverstärker gehört. Wie auf den Bildern zu erkennen ist, sind die speziellen Module auf kleinen Lötösen-Platinen aufgebaut und an den Seitenwänden (Hartholzleisten) angeschraubt. Wichtig für die Brummfreiheit der Schaltung ist die Verlegung der Masseleitung. Von allen Modulen, von allen Masse-Stützpunkten der Röhren, von allen Eingangs- und Ausgangsbuchsen und vom Lautstärke-Poti werden die Masseleitungen sternförmig zu einem Punkt, der Zentralmasse, geführt. Diese befindet sich in der Nähe des Hochspannungs-Netzteils (z.B. Minuspol des Lade-Elkos). Alle Bauteile und Module sind isoliert vom Chassis montiert, welches mit dem Schutzleiter des Netzkabels verbunden ist. Die Masse wird nur an einem Punkt mit dem Chassis (Schutzerde) verbunden, beim hier aufgebauten Verstärker ist es die Eingangs-Klinkenbuchse. Nur so können Brummschleifen verhindert werden.
Alle weiteren Einzelheiten sind der ausführlichen Bauanleitung zu entnehmen.

Ansicht von unten ohne Bodenabdeckung
mit entsprechender Baugruppenkennzeichnung
Hinweis:
Die elektrischen Verschaltungsarbeiten sollten nur von Personen durchgeführt werden, die dafür ausgebildet und berechtigt sind! Beim Umgang mit diesen lebensgefährlich hohen Spannungen und Ladungen in einem Röhrenverstärker (bis zu mehreren hundert oder tausend Volt!) ist äußerste Vorsicht geboten. Wer diese Schaltung nachbaut, handelt auf eigene Gefahr. Ich übernehme keinerlei Verantwortung für Schäden und Folgeschäden, die durch Schaltungsfehler, falsche oder schlechte Verdrahtung, nicht ordnungsmäßig ausgeführte Lötstellen und alle anderen möglichen Fehlerquellen verursacht wurden.
Wer sich dazu nicht in der Lage fühlt oder keine Person kennt, die diese Arbeiten für ihn ausführen kann, sollte von solchen Röhren-Projekten Abstand nehmen.
Inbetriebnahme:
Auch die Einzelheiten zur Inbetriebnahme sind der kompletten Dokumentation zu entnehmen.
Hier nur soviel:
An den Eingangsbuchsen und der Kopfhörer-Ausgangsbuchse dürfen keine Gleichspannungen meßbar sein. Wenn es keine Probleme gibt, kann eine Audioquelle am Eingang und ein Kopfhörer am Ausgang angeschlossen werden (Lautstärkeregler vorher auf „0“ drehen!). Wenn jetzt im Kopfhörer weder ein Rauschen noch ein Brummen zu hören ist (oder so gut wie keines), dann kann man schon sehr zufrieden sein. Und wenn man jetzt den Lautstärkeregler langsam aufdreht und den einzigartigen Klang dieses Röhrenverstärkers wahrnehmen kann, dann kann man schon’ mal eine Flasche Sekt öffnen und sich in einen Sessel fallen lassen, um seine Lieblings-CD zu hören.
Als Kopfhörer verwende ich einen „beyerdynamic DT 770 PRO“ mit 250 Ohm Impedanz. Bei diesem Modell kommen die Mitten und Höhen sehr klar und brillant und die Tiefen kräftig und natürlich. Hier zeigt auch die Loudness-Schaltung ihre Wirkung, zumindest bei leiseren Lautstärken. Mit dem Widerstand R3 (Schaltplan Bl.1) kann man noch etwas experimentieren (18 bis 33k); ich hab’ es bei 18k belassen. Wer diese Schaltung gut findet, kann sie auch fest installieren und den Umschalter S1 im Verstärkerteil weglassen.
Um den unteren Impedanzbereich zu testen (der Verstärker funktioniert ja schon ab 30 Ohm), habe ich einen Sennheiser-Kopfhörer „HD 570“ mit 55 Ohm Impedanz angeschlossen. Hier kommen die Bässe noch kräftiger, was wohl typisch für Sennheiser ist. Aber das ist alles Geschmackssache. Ich persönlich höre lieber mit dem Beyerdynamic. Aber selbst mit einem kleinen Nackenbügel-Kopfhörer „Sennheiser PMX100“ hört man einen guten Sound und sehr tiefe Bässe, was man von solch einem kleinen Hörer eigentlich nicht erwartet.
Fazit:
Dieser Kopfhörerverstärker braucht sich nicht vor mehrfach teureren Industrieprodukten zu verstecken. Für mich ist es ein High-End-Röhrenverstärker, der, wenn man ihn ordentlich aufbaut, sehr gut aussieht und einen hervorragenden Trioden-Klang mit mehr als ausreichender Lautstärke liefert. Man kann ihn für etwa 100 € aufbauen, wenn man bei bestimmten Bauteilen auf preiswerte Exemplare zurückgreift bzw. bei der „Optik“ Abstriche macht. Dann muß man z.B. auf solche Teile wie Anzeigeröhre und -schaltung, zusätzliche LED-Beleuchtung, Alps-Potentiometer, professionell gefertigtes Messing-Chassis, Röhren und -fassungen mit Goldpins, High-End-Kondensatoren wie Mundorf audiophil oder TAD Ölpapier usw. verzichten.
Für meine Variante habe ich noch keine endgültige Kalkulation durchgeführt (kommt demnächst). Hier muß jeder selbst entscheiden, ob er ’mal eben einen Verstärker aus der Bastelkiste zusammen löten oder ein High-End-Modell mit sehr gutem Klang und Design bauen möchte.
Ich wünsche allen Lesern der Dokumentation viel Spaß und allen Selbstbauern viel Erfolg beim Basteln und Tüfteln. Für entdeckte Fehler, Hinweise und Verbesserungen bin ich jedem sehr dankbar. Es gibt jetzt auch ein Forum, damit jeder Interessierte mitreden und diskutieren kann
Bei Fragen einfach eine Mail senden an: info@berndfischer.net
Nachtrag (27.07.2010):
Meßergebnisse:
Nachdem ich jetzt entsprechende Meßtechnik zur Verfügung habe (Oszilloskop, Sinusgenerator, Frequenzmesser und AC-Millivoltmeter), konnten einige interessante Messungen durchgeführt werden. An den Eingang des Kopfhörerverstärkers wurde ein Sinus-Signal von 1 kHz gelegt, an den Ausgang wurde das Oszilloskop angeschlossen. Der Eingangsspannungspegel wurde dann bei jeder Messung so lange erhöht, bis eine Verformung der Sinusschwingung am Oszilloskop zu erkennen war (Klipping). Gemessen wurde an folgenden Lastwiderständen: 33 Ohm, 260 Ohm und 630 Ohm (Die Widerstände wurden vorher ausgemessen).
Dabei konnte folgendes festgestellt werden:
- Der Verstärker ist zwar ab einer Kopfhörer-Impedanz von 30 Ohm nutzbar, doch mehr Leistung bringt er bei höheren Lastwiderständen. Bei der 33-Ohm-Last konnte die Eingangsspannung bis auf 300mV eingestellt werden; dann traten schon Verformungen der Sinuskurve ein. Die Ausgangsspannung betrug dann ca. 190mV; das entspricht etwa 1mW Leistung. Sicher kann man an einem kleinen 33-Ohm-Kopfhörer die Lautstärke noch weiter erhöhen, doch wird der Klang dann schon beeinflußt und es treten Verzerrungen auf. Aber darüber brauchen wir uns wirklich keine weiteren Gedanken machen, denn welcher Kopfhörer hat heute noch 33 Ohm Impedanz und wer nutzt seinen High-End-Verstärker mit Walkman-Kopfhörern.
- An der oberen Grenze, also mit der 630-Ohm-Last, ergab sich bei einer Eingangsspannung von 300 mV eine Ausgangsspannung von 2,2V; das entspricht einer Leistung von 7,7mW. Doch kann man hier noch viel weiter aussteuern bis Klipping eintritt. Bei einer Eingangsspannung von 800mV war die Sinuskurve noch einwandfrei; die Ausgangsspannung betrug dabei ca. 5,4V; das entspricht einer Leistung von 46mW. Wenn man das kurz mit einem Kopfhörer testet, weiß man, daß man bei längerem Hören einen Ohrschaden erleidet. Bei Musikwiedergabe ist das eine mehr als ausreichende Lautstärke in High-End-Qualität.
- Der von mir favorisierte Kopfhörer von "beyerdynamic" hat eine Impedanz von 250 Ohm. Und wie die Meßergebnisse zeigen, ist das der ideale Lastwiderstand für diesen Verstärker. Bei einer Aussteuerung bis zu 1V ergab sich eine Ausgangsspannung von ca. 5,7V; das ergibt eine Leistung von 125mW. Da sollte man sich schon einmal die Adresse von einem guten HNO-Arzt heraussuchen. Und da immer noch kein Klipping der Sinuskurve eintrat, sind noch Reserven vorhanden, die aber kein Mensch mehr braucht.
Fazit:
Die größte Leistung gibt der OTL30e bei höheren Impedanzen ab (150...600 Ohm). Und das in ausgezeichneter Qualität ohne Brummen und Rauschen. Wer sich also einen solchen Röhren-Kpfhörerverstärker baut oder einen ähnlichen kauft, sollte über die Anschaffung eines guten Kopfhörers nachdenken. Erst dann macht die ganze Sache richtig Spaß. Ich empfehle den "beyerdynamic DT770 PRO" als geschlossenes System, den "beyerdynamic DT880 PRO" als halboffenes System oder den "beyerdynamic DT990 PRO" als offenes System mit jeweils 250 Ohm Impedanz.
Die komplette Datei mit den Meßergebnissen kann natürlich unter -> Downloads heruntergeladen werden.